Sound Activation/Block Protection Box
WIRING
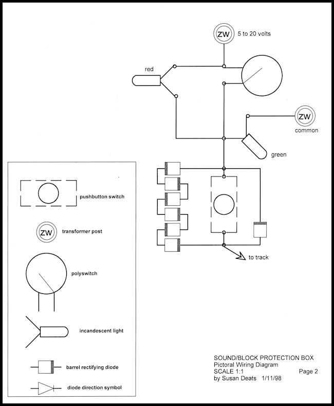
The momentary switch button activates the bell or whistle (depends on polarity of connection). The indicator lights are green for power on and red for fault (short circuit) interruption.




Back to Sound Activation/Block Protection Box Page